本教程聚焦SiC JFET 在固态断路器中的应用,核心内容包括三大板块,阐释 SiC JFET 的关键特性、系统说明 SiC JFET 如何推动电路保护系统取得重大进步、通过评估和测试结果展示产品性能。作为系列教程的第一部分,本文将介绍浪涌电流、应对不断攀升的电力需求、为什么要使用固态断路器。
引言
断路器的第二大关键作用 , 可能是在每次电路通电的瞬间 , 抑制电流浪涌, 从而有效保护电子器件免受冲击。
浪涌电流是所有电源在接通时都会产生的现象 , 主要由以下几个因素共同作用造成:输入电路和线路滤波器中的电容开始充电;变压器铁芯内部的磁场不断增强;输出滤波电容开始储能。 如果不对浪涌电流加以限制 , 电源将遭受高达数千安培的电流冲击。
随着系统电压提升至 400 V, 机械式断路器不再是可行的选择。 因此, 电气工程师正积极转向采用固态断路器。
相较于机电断路器 (ECB) , 固态断路器 (SSCB) 采用半导体技术, 电路中断速度提升了三个数量级。 碳化硅 (SiC) SSCB 具有宽带隙 (WBG) , 能够在更高的电压下以更高的开关频率工作。 SSCB 没有机械部件, 因此可靠性和工作寿命大大延长。
采用 SiC JFET 的固态断路器为工程师提供了一种比机电断路器更快速、 更安全、更可靠的替代方案。 这些器件的开关速度提升高达 1000 倍, 为现代电路保护设计带来了更大的灵活性。
SiC Combo JFET 是一种复合型器件, 由低压硅 MOSFET (Si MOSFET) 和高压常开型 SiC 结型场效应晶体管 (JFET) 组成。 SiC JFET 的源极与低压 Si MOSFET的漏极相连, 使得 JFET 和 MOSFET 的栅极均可接入。
与标准 JFET 结构相比, SiC Combo JFET 具有以下几个优点:
通过过驱降低导通电阻 RDS(on)
通过 JFET 栅极电阻实现可调开关速度控制
通过测量栅源电压 VGS 压降( 借助可全面接入的 JFET 栅极) 来监测结温
Si MOSFET 助力实现常关行为
具备与 5 V 阈值器件的全面栅极驱动兼容能力
简便的外部配置
增强的可靠性


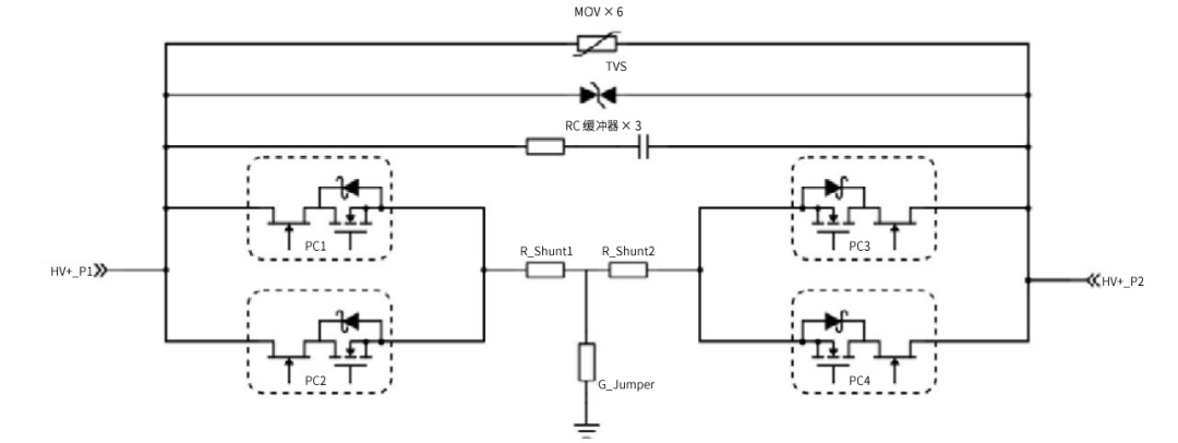
上面的电源通道示意图描绘了一个典型的交流 SSCB , 它利用背靠背、共源 SiC Combo JFET 实现双向阻断。 通过这种共源连接, 仅需一个通用栅极驱动器即可实现驱动, 元件数量得以减少。 其他元件包括:
两组共源配置的开关, 提供双向电压和电流
分流电阻 (2), 用于电流感测
瞬态电压抑制器 (TVS) , 用于在电流切断时吸收寄生电感( 例如线路本身) 中储存的感应能量
金属氧化物压敏电阻 (MOV) 具有比 TVS 高得多的电阻特性, 在峰值电压相对较高的应用中可取代 TVS
RC 缓冲器有助于确定开关速度, 提供 MOV 激活所需的 10 - 20 ns间隔, 同时抑制漏极和栅极电压中的振铃 , 并吸收通过导线传入的系统噪声
针对 SSCB 应用, 安森美既有常开型分立式 SiC JFET , 也有常关型组合封装。 每个组合封装将一个 SiC JFET 与一个低压硅 MOSFET 配对集成。 独立 JFET 确实拥有一些显著的优势, 例如:在相同芯片面积下其导通电阻 (RDS·A) 最低;即使在高能瞬态事件( 如伽马射线辐射) 作用下, 其参数也不会发生漂移。 独立 SiC JFET 可采用小型封装, 例如安森美的 TO 247 -4 。
然而, 大多数现场应用需要常关型 SSCB 。 针对此类情况, 安森美提供 SiC JFET +Si MOSFET 组合封装, 包括 TO 247 -4 和多功能 H-PDSO -F8 功率双通道小尺寸TOLL ( TO -无引脚) 封装 。 PDSO 将超低导通电阻 JFET 的优势与具备独立栅极的 MOSFET 结合, 提升了速度控制能力, 同时简化了并联操作。

应对不断攀升的电力需求
2020 -2027 年特定地区电力需求同比变化百分比

资料来源:国际能源署, 2025 年 2 月
国际能源署 2025 年年度电力报告预测, 到 2027 年底, 全球电力需求将继续以每年 4% 的速度增长 [PDF] , 而2023 年的增幅为 2.5% 。 IEA 指出, 人们对空调的依赖程度加大, 同时数据中心处理能力的需求也在加速增长。
IEA 指出, 造成全球电力需求加速增长的主要是工作电压在 400 V 及以上的设备。由于电容储存的能量与电压的平方乘以电容的一半成正比, 即:

因而当电压线性增长时, 电源预充电电路的应力呈指数增长。 电源的预期耐久性和可靠性变得更加难以实现。 出于实用性考虑, 用作浪涌电流限制器的器件也应充当断路器, 所以对固态断路器晶体管的安全工作区域有着更为严格的要求。 因此, 对于当今的高压应用而言, 使用电磁机械断路器已不再可行。
热插拔的浪涌问题
将新电源热插拔到电源机架时, 机架中会立即涌入巨大的浪涌电流 。即使插入的电容已大部分充电, 这种电流尖峰仍可能发生。 为了尽可能避免尖峰, 所插入单元的电容需要具有与电源机架中已有电容相同的电压。
浪涌电流限制功能解决了这个问题。如果没有限流, 电流就会出现巨大的峰值, 高达数千安培。 这会导致系统电压突降, 从而可能引起电源控制器复位。 电容两端的电压会迅速上升, 但其危险性远不及巨大的电流尖峰 。 电压上升过程延展至远超过最初数十微秒的时间尺度, 通常是可以接受的。

右图将充电时间范围从最初的 30 µs 延长至约 30,000 µs 。 虚线代表无浪涌电流限制的电流和电压水平;实线代表有电流限制的电压和电流水平。
通过限制浪涌电流 , 电流完全固定在较低水平 , 电压稳步上升 , 但速度要慢得多, 危险峰值得以避免。 电压充电时间延长至整整 30 秒,这通常是可以接受的。 应力被消除, 系统中不存在电压突变。
这里涉及的权衡是预充电限流器件产生的热量与充电时间 。 得益于采用组合型 JFET 半导体封装的固态断路器, 这一权衡显得合理且可行。

为什么要使用固态断路器?
配备碳化硅 (SiC) JFET 的断路器能够在小于一微秒的时间内中断电流, 其电流切断速度通常在纳秒量级。 作为对比:
机电断路器 (ECB) 在最佳运行状态下的电流中断速度只能达到毫秒量级。
超级结 (SJ) MOSFET 在电压 <600 V 时电阻较低, 但在电压 >600 V 时, 电阻会变得过大。
绝缘栅双极晶体管 (IGBT) 通常用于电压 >3000 V 的场合, 但在导通过程中,其功率损耗过大, 因此其效率可能会迅速降低。
当断路器的响应速度提升 1000 倍时, 故障能量的注入时间会大幅缩短。 电弧根本来不及形成, 因此完全消除电弧闪光成为可能 。 这使得固态断路器的安全性大幅提升, 尤其是在直流应用中, 同时在许多交流应用中也展现出更高的安全性。


在电压和电流下切换时 , 机电断路器的触头经常会因电弧效应而性能下降 。 如左图所示, 随着电压提高 , 传统断路器在负载下可执行的开关周期数会减少 。 显然,这会缩短断路器的使用寿命。
相比之下, 负载保持在合理能量限值内的固态断路器不太容易受到应力的影响 。因此, SSCB 具有几乎无限的开关周期数 。 当其执行中断操作时 , 其使用寿命不会明显衰减。
固态断路器的优点
面对故障时具有更高的选择性 , 例如根据电流曲线设置动作阈值。 如果电流曲线显示出危险迹象, 可将断路器设置为更早地中断电流 , 而不是将动作阈值设置得非常高。
智能控制实现节能 , 例如让热水器等电器协调工作, 从而有效控制峰值功耗。
具有自动复位功能的远程监控 , 这样断路器无需物理翻转即可复位。
诊断能力, 有助于验证不寻常的电流模式和行为。
软启动电路 , 通过逐步提高输出电压并控制电流斜坡 , 支持需要大启动电流的电机负载平稳启动。
断路器内部不会产生电弧 , 因此无需在器件内部进行灭弧处理。
机电断路器在负载下切换时 , 内部会产生电弧 。 必须抑制或熄灭这种电弧。 但是, SSCB 不会产生这样的电弧 。 由此带来两大益处:节省大量空间, 同时可靠性大幅提升。
EMB 的使用寿命以其能够可靠完成的“ 通断次数” 来衡量。 其接触系统由动触头、 静触头、 操作机构和灭弧室组成。 影响 EMB 使用寿命的关键因素是触头磨损的累积程度 , 而 SSCB 则完全不受这一因素影响。

电子断路器标准
基于半导体技术的断路器国际标准正在陆续出台 。 已将基于半导体技术的 SSCB纳入考量的现行标准文件包括: EMEA 地区适用的 BS IEC 60947 -10 :低压开关设备和控制设备 - 半导体断路器;北美适用的 UL 489 l - 固态塑壳断路器调查大纲( 2022 年 3 月) 。
半导体在塑壳断路器中的应用尚处于起步阶段 , 电气元件领域尚未就其制造标准达成普遍的行业共识 。 与此同时, UL 正在对此类元件进行认证 , 以便建筑商和工程师可以向风险管理专业人员证明, 其设备能够有效防范过流和电击危险。
我要赚赏金
