一个现状我们在模电教材里面,会有各种放大电路,共基,共集,共射等,相关的计算公式,曲线,电路等效模型天花乱坠,学起来非常费劲。实际90%工作,可能我们只需要关注一个参数就行了,那就是电流放大倍数β,其它的通通用不到,而且我们做产品,如果真要放大信号,那也是使用各种集成运放。绝大多数情况,我们是把三极管当作一个低成本的开关来使用的,作为开关,虽然MOS可能更为合适,不过三极管价格更低,在小电流场景,三极管反而是用得更多的。
一个NPN三极管,价格也就2分钱左右。
常用的电路(NPN为例)1、电平转换,反相
这个电路用得非常多,有两个功能。
一是信号反相,就是输入高电平,输出就是低电平;输入低电平,输出就是高电平二是改变输出信号的电压,比如输入的电压范围是0V或者是3.3V,想要得到一个输出是0V或者是5V的电平怎么办呢?让Vcc接5V就可以了,输出高的时候,out的电平就是大约为5V的。 2、驱动指示灯我们经常使用三极管驱动LED灯,比如下面这个电路:
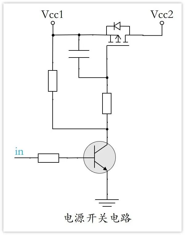
3、驱动MOS开关还一个电路也用得非常多,那就是驱动电源的PMOS开关,如下图:在in为低时,三极管不导通,相当于是开路,PMOS管的Vgs为0,PMOS管也不导通,Vcc2没有电。
在in为高时,三极管导通,集电极相当于是接地GND,于是PMOS管的Vgs为-Vcc1,PMOS管导通,也就是Vcc1与Vcc2之间导通,Vcc2有电。 可以看到,以上三种电路,其实都一样,就是三极管是用作开关的,要不工作在饱和区(导通),要不工作在截止区(不导通),总之就是不能工作在放大区。这个比较容易理解,如果工作在放大区,那么Vce的电压就很难确定了,这会导致当你想要高低电平的时候,结果得到一个中间态。 所以,最重要的就是要保证管子的工作状态是ok的,也就是说我们要选好电路中的电阻阻值。
关于电阻的取值,有的新手就有点分不清,因为不同的人设计的电路,电阻的阻值不尽相同,问就说是“经验值”。其实哪有那么多经验值,都是有些道道在里面的。
下面来看看如何选择电阻。 如何选择电阻我们的电路输入一般是只有两种状态,0V或者是其它的高电平(1.8V,3.3V,5V等),截止状态一般不用怎么考虑,因为如果让三极管的Vbe=0,自然就截止了,重要的是饱和状态如何保证。 那么啥叫饱和状态?我们先假定三极管工作在放大状态,那么放大倍数就是β,如果基极有Ib电流流过,那么集电极Ic=β*Ib,Ic也会在Rc上面产生压降Urc。
易得:Urc+Uce=Vcc,
显然,Ib越大,那么Urc=β*Ib*Rc越大,如果Ib足够大,那么Urc=Vcc时,Uce=Vcc-Urc=0。如果我们继续增大Ib,那么Uce会变成负的吗?Uce<0是不可能的,因为如果电压反向,那么电流也要反向,这显然是不成立的。实际Uce也就继续保持接近于0,那么也就是说此时Ic的实际电流是小于β*Ib的,此时电路已经满足不了β的放大倍数,三极管已经不是在放大状态,而是进入饱和状态了。从以上描述我们很容易得出来,我们只需要让计算出的Urc=β*Ib*Rc>Vcc,那么三极管就是工作在饱和状态的。 不过,上面这个电路太简单,实际电路又各种各样,那么到底该如何考虑呢?我一般是这样考虑的:就是假定三极管工作在放大状态,放大倍数为β,如果最终算得Rc两端电压大于Vcc(对应的Uce就是个负压),那么三极管就是工作在了饱和状态了。 电路计算举例1、LED灯的例子已知条件:输入控制电压高电平为3.3V,电源电压为5V,灯的导通电流10mA,灯导通电压2V,三极管选用型号MMBT3904
三极管饱和导通时,Vce=0V,所以Rc=(5V-2V)/10mA=300Ω。
查询芯片手册,三极管MMBT3904的的放大倍数β(hfe)如下图所示:
可以看到,在Ic=10mA时,放大倍数最小为100。
那么Ib=10mA/100=100uA,三极管导通时,Vbe约为0.7V,继而求得Rb=(3.3-0.7V)/100uA=26K。也就是说只要Rb<26K,三极管就工作在了饱和状态,像这种情况,我一般取Rb=2.2K,或者是1K,4.7K,10K,这样Ib更大,更能让三极管工作在饱和状态。具体取多少,取决于整个板子的电阻使用情况,比如10K电阻用得多,那我就取10K,这样物料种类少,生产更方便。或者咱为了保险一点,比如要兼容别的三极管型号,可以取Rb=1K,这样即使别的三极管β小于100,也能工作在饱和状态。 我们也可以反向验算下,假如Rc=300Ω,Rb=10K,那么Ib=(3.3-0.7)/10K=0.26mA,那么Ic=100*0.26mA=26mA,那么Rc的压降是300Ω*26mA=7.8V,这已经超过Vcc了,所以管子肯定是工作在饱和状态的。 2、驱动MOS开关这个电路就是个使用三极管控制PMOS管的通断,那么里面的电阻和电容该如何选择呢?
我们要知道,这个电路是如何工作的,考虑了哪些因素。
工作原理:在in为低时,三极管不导通,相当于是开路,PMOS管的Vgs为0,PMOS管也不导通,Vcc2没有电。
在in为高时,三极管导通,集电极相当于是接地GND,于是PMOS管的Vgs为-12V,PMOS管导通。
下面看看电阻取值:R2接到了PMOS管的栅极,我们知道MOS管的栅极阻抗非常大,所以三极管导通稳定之后,R2基本是没有电流的,所以可以看做是开路,三极管的集电极电流主要从R3流动。那么三极管的Ic电流该如何设定呢?我们要在in是3.3V的时候,Vce基本为0,Ic倒是没有说必须要多少合适。这个时候我们可以先定一个,比如定R3=10K,4.7K,20K等等都是可以的。我们就先定R3=10K吧,为什么定这个,因为这个是常用电阻。不过我们需要知道,如果电阻定太小,那么Ic的电流必然会比较大,就会浪费电(功耗大,发热)电源为12V,那么Ic=12V/10K=1.2mA。从MMBT手册知道,1mA左右,三极管的放大倍数最小是80,所以Ib=1.2mA/80=15uA。那么R1=(3.3-0.7)/15uA=173k。也就是说R1需要满足R1<173K就可以让三极管饱和导通。因为R3已经选定了10K,那么R1也可以选择10K了(物料归一,少些种类)。 R2,C1有什么用呢?在上电的一瞬间,因为电容两端的电压不能突变,所以C1会将MOS管的Vgs钳制在0V,让MOS管不会误导通,C1通常可以选择100nF左右。那么R2有什么用呢?R2可以限制三极管的Ic电流,因为in的电压突然变化的时候,三极管状态突然改变,Vce电压会突然改变,需要对电容C1进行充放电,这个电流可以通过R2来限制。我们也可以通过R2和C1一起来调节PMOS管的导通时间,其实本质就是RC的充放电。如果没有严格的时间要求,R2和C1的选择很宽泛,像我一般用100nF和100K。
常用的三极管电路设计-电阻到底是怎么选的
今天的内容超级简单,主要给硬件新手写点东西,关于三极管实用方面的,会说两个基本的电路,以及相关电阻的取值及注意事项。
关键词: 三极管 电路设计 电阻
回复
| 有奖活动 | |
|---|---|
| 2026年“我要开发板活动”第三季,开始了! | |
| 硬核工程师专属补给计划——填盲盒 | |
| “我踩过的那些坑”主题活动——第002期 | |
| 【EEPW电子工程师创研计划】技术变现通道已开启~ | |
| 发原创文章 【每月瓜分千元赏金 凭实力攒钱买好礼~】 | |
| 【EEPW在线】E起听工程师的声音! | |
| 高校联络员开始招募啦!有惊喜!! | |
| 【工程师专属福利】每天30秒,积分轻松拿!EEPW宠粉打卡计划启动! | |
我要赚赏金打赏帖 |
|
|---|---|
| 以启明云端ESP32P4开发板实现TF卡读写功能被打赏¥28元 | |
| 【分享开发笔记,赚取电动螺丝刀】树莓派5串口UART0配置被打赏¥25元 | |
| 【STM32F103ZET6】17:分享在Rtos项目中断管理的使用经验被打赏¥23元 | |
| 【STM32F103ZET6】16:分享在中断中恢复串口任务,遇到的问题被打赏¥31元 | |
| 在FireBeetle2ESP32-C5上实现温度大气压检测及显示被打赏¥21元 | |
| 【分享开发笔记,赚取电动螺丝刀】SAME51双串口收发配置被打赏¥27元 | |
| Chaos-nano操作系统在手持式VOC检测设备上的应用被打赏¥37元 | |
| 【分享开发笔记,赚取电动螺丝刀】关于在导入第三方库lib时,wchart类型冲突的原因及解决方案被打赏¥30元 | |
| 在FireBeetle2ESP32-C5上实现温湿度检测和显示被打赏¥20元 | |
| 在FireBeetle2ESP32-C5上实现光照强度检测及显示被打赏¥21元 | |
我要赚赏金
