工作原理
以单极性SPWM调制方式为例,说明图腾柱PFC的工作原理。此处仅以正向AC-DC说明。后续会专门介绍DC-AC的功能介绍。
无桥图腾柱式PFC电路拓扑有如下两种:


两者拓扑的区别:
在采用单极性SPWM调制时,两种拓扑的工作原理一致。仅是右边拓扑MOS管(慢管)导通损耗会较小。下面会详细说明其工作原理。
左边的拓扑仅能采用单极性SPWM调制,而右边的拓扑还可采用单极性倍频调制、双极性调制。
单极性和双极性SPWM比较。(这里的波形是逆变电流的中点电位UAB波形)


其主要原理为:调制信号ur为正弦波,载波uc在ur的正半周为正极性的三角波,在ur的负半周 为负极性的三角波。
单极性SPWM:
在ur的正半周,V1保持通态,V2保持断态。当ur>uc时,使V4导通,V3关断,uo=Ud。当ur时,使v4关断,v3导通,uo=0。<>
在ur的负半周,V1保持断态,V2保持通态。当uruc时使 V3关断,V4 导通,uo=0。时,使v3>
双极性SPWM
当ur>uc时, V1和V4导通,V2和V3关断,这时如io >0,则V1和V4通,如 io<0,则VD1 和VD4 通,不管哪种情况都是uo=Ud 。
当ur0,则VD2 和VD3 通,不管哪种情况都是uo=-Ud 。时,v2和v3导通,v1和v4关断,这时如io<0,则v2>
单极倍频SPWM
从Uo的波形可以看出,两路双极性调制经过全桥功率管的叠加之后最终的Uo波形变成了单极性,而且频率加倍,这就是这种调制方式称为单极性倍频调制的原因。这种调制方式波形完美,对各种负载的适应性好,因为倍频输出,LC的体积和成本可以比较小,缺点是4个功率管都工作在高频状态,因而开关损耗比较大。
问:不同的调制方式下,系统的工作模态会有所区别,那么什么是调制方式?
答:调制方式指的是对开关管的导通时间进行调制的方法。常见的调制方式包括单极性调制(Single-Polarity Modulation)和双极性调制(Dual-Polarity Modulation)。调制方式决定了开关管导通时间的规律,从而影响输出电压的波形和功率因数校正的效果。
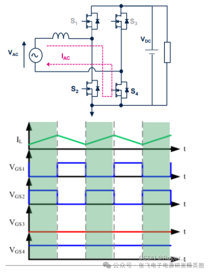
下面,将分析单极性SPWM调制方式的工作模态,由于正负半周相对称,下面以正周期为例Vac>0,可以分为三个模态:(S3为常开状态,S4为常闭状态。)
工作模态一:此时Vg2和Vg4导通,电感电流上升,电感进行储能。S1体二极管仅在死区时间导通,可实现软开关,S1可在Toff时间导通,减少体二极管的压降。

工作模态二:此时Vg1和Vg4导通,电感释放能量,电感电流下降。

工作模态三:当电压正半周过零点时,S4关闭,S1导通时,此时也会导致单极性SPWM存在电流过零畸变的缺陷。

整个系统可以分为6个工作模态,如下所示:

控制策略
控制策略指的是根据输入电压和输出电流等信息,确定开关管导通时间的策略。控制策略的目标是调整开关管的导通时间,使得输出电流能够与输入电压同相或近似同相,从而实现功率因数校正。常见的控制策略包括平均电流模式(Average Current Mode)和边界电流模式(Boundary Current Mode)等。(其中,平均电流控制是CCM控制中的一种,还有峰值电流控制和滞环电流控制等)
CCM模式:适用于中等、大功率应用
DCM:最大峰值电流和电流纹波都比较大,开关管等器件的电流应力也比较大,一般适用于中小功率场合
CCM模式下的控制策略又可分为:平均电流控制、 峰值电流控制和滞环电流控制等,控制策略如下图所示:

峰值电流控制:通过采样电感电流与参考基准进行比较,据此生成 PWM 控制信号,通过占空比来对电流进行调节控制。 但是峰值电流控制对噪声比较敏感,而且在占空比超过 0.5 时会出现控制不稳定,需要额外加斜坡偿。
滞环电流控制:电流参考有 上下两个阈值。 滞环电流控制具有动态响应快、控制式自带限流功能等优点,但是滞环电流控制在一个周期内频率持续变化,容易降低电路 EMI 性能。
平均电流控制:同样也是采 样电感电流, 并与电流参 考比较生 成 PWM 控制信号。 平均电流控制一般采用双环路控制,电压外环带宽较窄,环路响应速度慢,可以有效地减弱干扰对控制环路的影响;电流内环响应较快,使得控制的电流可以准确地跟踪参考。而且在一个周期内频率恒定,EMI 性能比滞环电流控制好, 控制环路设计也较为简单。
拓展1:双向AC-DC电路拓扑
开关拓扑
对于无桥图腾柱而言,也常用于V2G的技术当中,即双向AC-DC变换电路中。对于AC-DC双向变换电路中,采用的拓扑还有如下所示:

电压型全桥结构:电路整体较为简单;对比半桥,功率等级更高。
电压型半桥拓扑结构:结构简单;电压应力高;若电容分压不均,导致中点电压失衡。
带中性点二极管箝位电压型三电平结构:交流电流的谐波量更低,正弦度更好,更高的PF值;电路复杂,控制复杂,损耗较大;适用于大功率场合。
电压型交错图腾柱式结构:该拓扑结构的两个电感能够起到分流的作用,大大降低了每个桥臂开关管的电流应力,并且结合无桥和交错并联的技术可减少变换器的纹波,改善变换器的EMI特性,一定程度的提升变换器的功率密度,适用于较大功率的场合。
我要赚赏金
