摘要
1基本ZVS拓扑介绍
2原始ZVS拓扑及存在问题分析
3目前使用的改进型ZVS拓扑结构
1 基本ZVS拓扑介绍
软开关的由来和基本概念
1 产生原因
1) 目前电子变换技术的发展方向
高频化(小型化、轻量化)、大容量化、高性能化
2)技术发展带来的问题
高频与大容量化→装置内部电压、电流变化;开关器件应力、电磁干扰
开关器件非线性→产生谐波、输入电流波形失真;工作和不控整流;功率因素降低等
3) 解决方法
抑制EMI→软开关谐振变化技术
减小谐波→谐波补偿和PWM调制技术
2 软开关的概念
1)开关管硬开关动作

如图所示,由于功率器件的开关过程不是瞬时完成的,在开关过程会存在电压和电流重叠的时候,此刻就为开关直接开关的情况下的功率损耗情况,可以看出此时的损耗是相当大的。
2)软开关动作

软开关的发展及分类
1 根据软开关的发展历程可将软开关电路大致分为一下几类:
1)准谐振电路
ZVS QRC;ZCS QRC;ZVS QRC; Resonant DC Link(用于逆变器的谐振直流环)。谐振电路中的电压或电流波形为正弦半波称为准谐振。
作用:减小开关损耗和降低开关噪声
危害:谐振峰值电压高,要求开关应力大,谐振电流有效值大,通态损耗大,谐振周期随输入电压、负载变化而变化,变频不好控制。
2)零开关PWM电路
ZVS PWM; ZCS PWM。
较谐振电路相比,该电路电流和电压基本上是方波,有较缓的上升和下降斜率,开关应力低,恒频率控制方便。
3)零转换PWM电路
ZVT PWM;ZCT PWM
2 软开关的发展趋势
1)普遍性
2)开关频率高,重新利用谐振电路
3)组合简单电路获得高性能电路结构
2 原始ZVS拓扑及存在问题分析
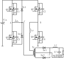
基本的ZVS变换拓扑
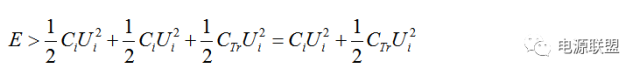
要实现开关管的零电压开通,必须有足够的能量来:1)抽走将要开通的开关管结电容上的电荷;2)给即将关断的开关管结电容充电;3)同时要考虑变压器初级绕组的寄生电容上的电荷。
即所需的能量为:

式中Ci为开关管的结电容,CTr为变压器初级绕组的寄生电容,Ui为输入电压。
超前桥臂实现ZVS相对来说比较容易,滞后桥臂实现起来相对困难一些。
滞后桥臂ZVS实现的条件相对恶劣,原因是由于在滞后桥臂开关管交换开通时,副边的整流二极管处于换流阶段,两二极管同时开通,是变压器副边短路,使原边电压箝位在0,原副边隔离无能量流通,此时滞后桥臂开关管结电容的充放电全靠变压器漏感中能量实现。
解决办法:
1)增大电流(励磁电流),
2)增大谐振电感。
另外,还涉及到一个占空比丢失的问题,在原边电压换向的时刻,电压已经换向,但电流却是与电压相反的方向,此时电压要对谐振电感作用,使其电流迅速下降并反向增大,在此过程中,当原边电流小于副边滤波电感电流时,不向副边功能,因此称为占空比丢失。以前的解决办法就是减小变压器原边与副边的变比,但这也会带来新的问题。
为此提出了新的解决滞后桥臂ZVS实现的方案。
3目前使用的改进型ZVS拓扑结构
改进的ZVS变换拓扑
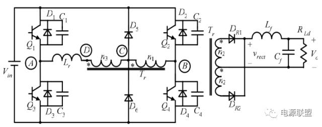
为了改进之前所述基本移相的ZVS全桥拓扑存在的缺点,后面使用过程中提出了一种能改善滞后桥臂ZVS范围的结构。如下图所示。

图2 改进的移相ZVS全桥结构
改进的ZVS拓扑优缺点分析:
优点:不仅拓宽了结构拓扑滞后桥臂在轻载条件下零电压开关的实现,降低了开关损耗,还消除了副边整流二极管的电压震荡,缩短了其反向回复时间,提高了结构的效率。
缺点:引进了两二极管增加了传导损耗,二极管的反向恢复严重。
二极管反向恢复问题

图3 二极管反向恢复特性曲线
二极管在开关电源中应用非常之多,由于开关电源通常工作在高频条件下,这样二极管就会迅速开通和关断,在其快速开通和关断条件下,难免会产生较高的电压尖峰和开关损耗,这就叫反向恢复现象。
一般的二极管就一PN结(肖特基除外)。PN结结构的二极管,其P区、N区都有多数载流子和少数载流子,PN结内的载流子都存在着扩散运动和飘移运动。扩散运动是由载流子浓度不同而引起的;漂移运动则是因电场作用引起的。二极管两端加正电压时,扩散运动超过飘移运动 ,P 区与 N 区的多数载流子都不断地 向对方区域扩散,并在对方 区域中有相当数量的存储。此时,若在二极管两端突加反向电压,PN 结 内的飘移运动超过扩散运动,上述的存储电荷在电场的作用下将回到己方区域 ,或者被复合掉 ,这样就产生了一个反向电流。
在这一反向电流的作用下,存储电荷被全部扫出,PN结交界处耗尽层的势垒高度增加,反向电流给二极管并联寄生电容充电,二极管 电压开始反向增大。电容电压达到一定值后,反向电流减少为二极管的反向饱合电流值IR ,二极管反向恢复的过渡过程结束。在这一过程中,反向电流( 最大值记为IRM) 在二极管内产生反向恢复损耗 ,反向电流如果流过电路中其它元件 ,还会产生附加损耗 。又由于二极管串联寄生电感和并联寄生电容的作用,二极管两端会产生较高的反向电压浪涌。

图4 二极管反向恢复等效电路
解决功率二极管反向恢复的方法
为解决功率二极管反向恢复问题已经出现了很多种方案。一种思路是从器件本身出发 ,寻找新的材料力图从根本上解决这一问题 ,比如碳化硅二极管的出现带来了器件革命的曙光 ,它几乎不存在反向恢复的问题 。另一种思路是从拓扑角度出发 ,通过增加某些器件或辅助电路来使功率二极管的反向恢复得到软化。目前 ,碳化硅二极管尚未大量进人实用 ,其较高的成本制约了普及应用 ,大量应用的是第二种思路下的软化电路。
增加辅助元器件来抑制反向恢复

图5 几种解决二极管反向恢复常用方法
考虑箝位二极管反向恢复的ZVS移相全桥拓扑

图6 串入复位绕组ZVS移相全桥拓扑

图7 加入辅助变压器的ZVS移相全桥

图8 用MOSFET替代二极管副边加缓冲电路的ZVS移相全桥

图9 加入辅助变压器用MOSFET替换二极管的的ZVS移相全桥
我要赚赏金
