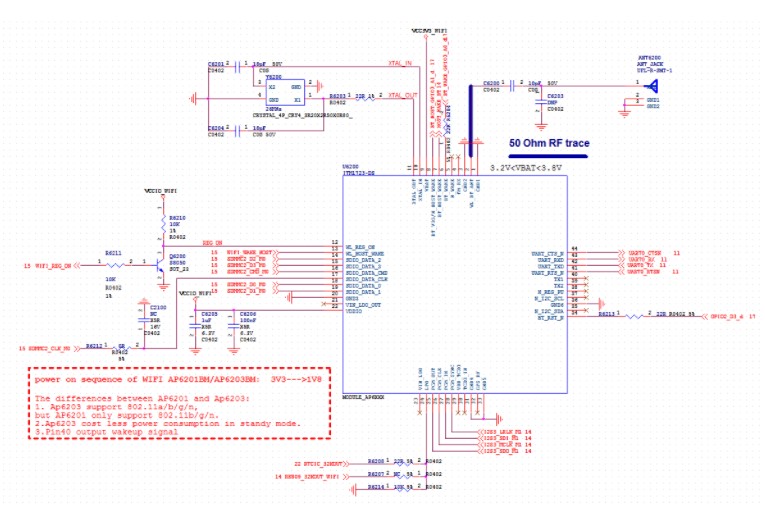
第一节:WIFI电路设计.

WiFi设计说明
1、WiFi型号ITM1723-DS,此模块需要外部预留26MHZ晶振;注意C6201
C6204这2个匹配电容,该电容和PCB结构板材以及晶振选型有关,最终应该用频谱仪测试然后选定,频偏会引起信号差或者无法连接使用;
2、模块VBAT3.3V供电,电流400MA,模块IO供电1.8V,图中Q6200是做电平变换,同时其他sdio总线以及串口都要保持1.8V电平;
3、模块PIN24引脚是32.768K的时钟输入,主要供给蓝牙部分,可以选从PMU提供或者从RTC芯片提供,电平也是1.8V,R6214做分压匹配;
4、天线接口预留串联并联电容,方便后续做天线匹配,天线走线不可以打孔,需按照50欧姆阻抗设计,第二层挖空,参考第三层;

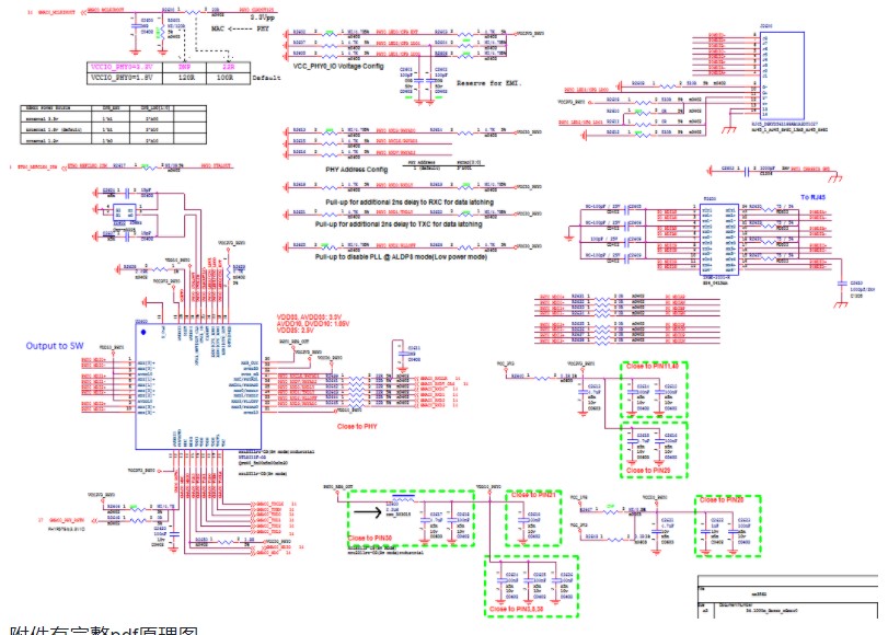
RTL8211F原理图讲解
1、时钟方向,PHY0_CLKOUT125是从PHY到MAC的,125M,软件配;
2、关于电源配置按下表

3、RTL8211F需要外挂晶振,频率为25MHZ,频偏小于20PPM
4、网口LED配置,硬件按下图配置,驱动同步修改

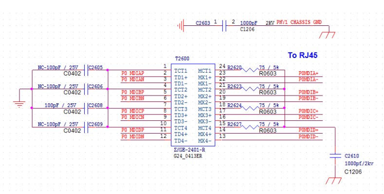
5、网络变压器
当接了网络变压器后,它主要用于信号电平耦合。 其一,可以增强信号,使其传输距离更远;其二,使芯片端与外部隔离,抗干扰能力大大增强,而且对芯片增加了很大的保护作用(如雷击);其三,当接到不同电平(如有的PHY芯片是2.5V,有的PHY芯片是3.3V)的网口时,不会对彼此设备造成影响。 变压器功能 电气隔离 网络变压器本身就是设计为耐2KV~3KV的电压的。也起到了防雷保护作用。网络GND和大地加高压电容隔离,

6、双网口设计,双网口就是两个一样的rtl8211F接在rk3568不同RMII接口上,电路相同,注意同一个RMII接口的M0和M1不可以同时接2个phy,这是复用只能二选一;
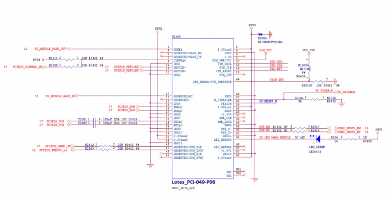
第三节:4G网络电路设计

4G接口电路设计说明:
1、本设计采用标注pcie连接器52PIN,一般只接usb总线走4G网络,而我们这个设计加入了pcie总线,可以接5G的WiFi模块,做到完美兼容;
2、模块单独用一路DCDC供电,电流预计3.8V/3A,搜网瞬间电流大因此加入220uf电容组能;
3、加了一个0603封装的LED灯,用于指示网络状态;
4、增加R2417 R2416方便调式,以及后续做认证时调整阻值或者换成磁珠来解决EMC EMI问题;
5、当接入的是pcie的WiFi时,pcie总线的TX要加耦合电容;
6、4G模块一个重要的引脚reset 这个需要接到主控让软件控制,这个有时序要求,并能在4G异常时进行软件复位。
我要赚赏金
