在调试高速电路时,我们常常会遇到信号波形畸变、过冲、振铃或者系统输出功率不足、灵敏度下降的问题,这些问题的背后,一个最常见且关键的原因就是——阻抗失配。当发送端与传输线之间、传输线与接收端之间出现阻抗不匹配时,就会发生反射,这些反射信号会破坏原有的输出信号,并叠加在原始输出信号中,从而出现上述一系列问题。

图1信号反射引起的畸变
本文将从原理出发,系统阐述阻抗匹配如何影响信号,以及如何在工程中实现匹配。
1
什么是阻抗?
阻抗是复数,用Z来标识。Z=R+jX,其中实部为电阻,虚部为电抗,容抗和感抗合称电抗。
在实际应用中,信号源并不是一个理想的源,它也有阻抗;传输线有特性阻抗,特性阻抗由分布电感、电容决定,与长度无关,当信号波长与导线长度一样时,导线视为传输线。
2
什么是阻抗匹配?
阻抗匹配的定义:信号源的阻抗=传输线的特性阻抗=负载阻抗,即

图2阻抗匹配示意图
3
如何实现阻抗匹配?
L型匹配网络
L型匹配网络,顾名思义,是由两个电抗元件(电感L和电容C)组成,其连接形状像字母“L”。它的核心功能是在特定频率下,将一个复数阻抗(如 R + jX)变换成另一个我们想要的阻抗(通常是纯电阻,即系统的特性阻抗Z0,如50Ω)。
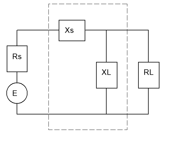
L型匹配方式一:左L,该匹配适用于Rs>RL。

图3左L匹配示意图
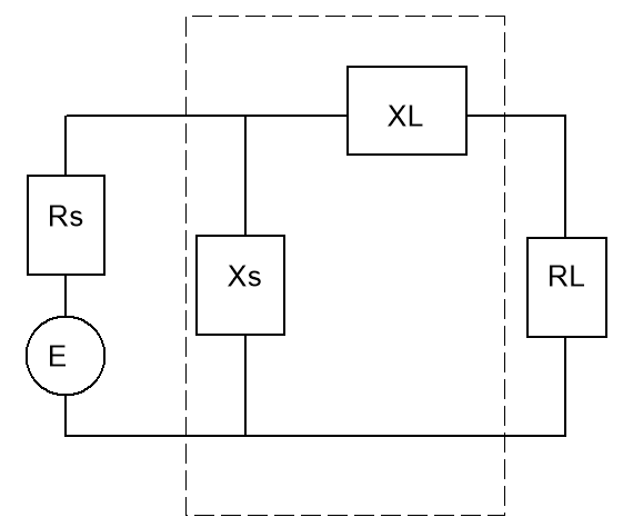
L型匹配方式二:右L,该匹配适用于Rs

图4右L匹配示意图
对于这两种方式,可以分为Ls-Cp 低通形式,也可以采用Cs-Lp 高通形式

传输线匹配
常采用λ/4阻抗变换器,该传输线的特性阻抗Z0'满足:

所以需要设计一段长度为1.56cm、特性阻抗为70.7Ω的传输线匹配。
结合以上L型匹配和传输线匹配两种方式,可以实现源与传输线之间,传输线与负载之间的阻抗匹配。
阻抗匹配在工程设计中非常重要,尤其是高速电路中,在确保功率传输效率、信号完整性和电磁兼容性三个方面有不可替代的作用。
我要赚赏金
