现在有关这个问题有很多各种不同似是而非的说法,有人说:在LED的伏安特性上,电压定了,电流也就定了。所以采用恒压和恒流效果是一样的。有人说LED并联时就应该采用恒压电源供电,而LED串联时就应该采用恒流电源供电;有人说,因为LED是恒流器件,所以要用恒流源供电;有人说,采用市电供电时就应该采用恒压电源供电,采用蓄电池供电时,就应该采用恒流电源供电。至于为什么这样要求,似乎谁也说不明白。
那么,到底是应该采用恒压电源,还是恒流电源供电呢?
首先来看一下LED到底是什么样的器件。因为LED的亮度是和它的正向电流成正比,而且一些LED的结构决定了它的散热也就是功耗。所以大多数LED会给出额定电流,例如Φ5为20mA,1W的为350mA…等,但这并不等于LED只能工作于这些额定电流,更不意味着LED就是一个恒流器件。例如Cree的1瓦LED和3瓦LED是同一型号,电流从350mA加大到700mA,功率就从1W加大成3W,所以这个LED可以工作在350-700mA之间的任意值。
要深入了解这个问题首先要知道LED的伏安特性。
02.LED的伏安特性
LED的中文名字就是发光二极管,所以它本身就是一个二极管。它的伏安特性和一般的二极管伏安特性非常相似。只不过通常曲线很陡。例如一个20mA的草帽LED的伏安特性如图1所示。
图1. 小功率LED的伏安特性
假如用干电池或蓄电池供电,那么因为LED伏安特性的非线性,很小的电压变化就会引起很大的电流变化,上图中电源电压在3.3V时正向电流为20mA的LED,如果用3节干电池供电,新的电池电压超过1.5V,3节就是4.5V,LED的电流就会超过100mA,很快就会烧坏。对于1W的大功率LED也是如此,图2是某公司1W的LED伏安特性,而一个12V蓄电池的电压,在充满电到快放完电的电压可以从14.5V降到10.5V。相差将近20%。从伏安特性上可以看出,电源电压的10%的变化(3.4V-3.1V),就会引起正向电流的3.5倍的变化(从350mA变到100mA)。
图2. 1W大功率LED的伏安特性
03.低伏安特性的温度系数
到现在为止,还有很多人以为LED电压定了,电流也就定了,所以采用恒压和恒流是一样的。实际上,LED的伏安特性并不是固定的,而是随温度而变化的,所以电压定了,电流并不一定,而是随温度变化的。这是因为是LED是一个二极管,它的伏安特性具有负温度系数的特点。
图3. 串联电阻只能减小温度的影响,而不能消除其影响
04.几个LED并联,能不能用恒压电源?
由于LED伏安特性的离散性,不但不同厂家生产的同样瓦数的LED伏安特性不一样,就是同一厂家生产的同一型号的LED其伏安特性也是不同的。
图4. 不同厂家和同一厂家生产的LED伏安特性的离散性
很明显,假如用恒压电源3.4V供电,显然流过每个LED的电流都不一样,每个LED的亮度也就不一样。所以不能采用恒压电源供电。
05.多个LED并联后,采用恒压电源供电,能不能用不同的串联电阻来使电流平衡?
在常温下是可以的,但在温升以后就不能保持了。图6中就显示了这个问题,常温下的LED伏安特性以实线表示,两个LED的伏安特性在斜率上略有区别,在用恒压电源Vo供电时,选用不同的电阻,可以得到同样的正向电流Io。但是当温度升高时,其伏安特性左移,如虚线所示。因为还是原来的恒压和原来的电阻,此时的电流却变成了I1和I2。不等于原来的Io了。
图5. 串联电阻可以在常温下保持其电流不变,但在温升以后就不能保持电流平衡。
06. N个LED串联后,假如用恒压电源供电,其温度效应(由温升而引起的电流增加)将会扩大N倍
这是因为所有LED串联以后相当于各个LED的伏安特性沿电压轴串联。
图6. 多个LED串联
相当于多个伏安特性在恒流点叠接,加电以后温度上升,所有伏安特性左移。
温升以后,N个伏安特性都左移,就使电流的增加也加大了N倍。如果采用恒流电源供电,那么温升以后,仍然能够保持电流恒定为Io。
07.多个LED串联时,采用恒流电源供电时,可以利用伏安特性的温度效应推测其结温的上升度数
在很多应用中(例如日光灯、路灯),往往将很多LED串联,这时候,LED的温度系数效应就更加明显。因为采用恒流电源供电时其效果相当于把每一个LED的伏安特性沿电压轴叠加。假如温升为60度,那么伏安特性将会向左偏移0.12V,如果10个LED串联,所有伏安特性全部左移,总偏移就会达到1.2V。这是相当可观的数字。反过来也可以利用LED的这种特性来测量其结温,例如有一个10串3并的LED组合,在接上恒流电源以后,测得其正向压降从32.3V降低到30.6V。变化达1.7V。那么可以推测其结温升高为1.7/10/.002=85度
08.恒流供电时,在串并联电路中如何保证每串的电流均衡
假如用恒流电源只供给一串LED,那当然是最理想的了。但是,假如要供给几串并联的LED那如何能保证每串中的电流一样呢?是的,假如用恒流源供给几串并联的LED,由于LED伏安特性的离散性,各串的电流是一定不一样的。但是实际上,由于各串LED不大可能某一串里都是正向电压偏低的,另一串里都是正向电压偏高的。而是会相对均匀分布,所以各串之间的电流不会相差很大。
09.在恒流供电的串并联电路中,如何避免因某个LED损坏所引起的问题
假如只是两串并联,而且其中某一串的一个LED坏了(开路),这时候不但这一串不亮,而且所有的电流都会流到另一串,使得另一串的电流加大一倍,用不了多久也会坏掉。为了避免一个坏了一串不亮,那么可以采用全部并串联的方法,也就是每串中的任何一个都和其他串中的同样位置的LED并联。这样,任何一个坏了(开路),只是这一个不亮,其余的LED仍然都亮。但是假如并联的LED只有两串,其中有一个LED开路了,电流就都流到和它并联的另一个LED中去,它的电流也加大一倍,使得这一个LED寿命不长,很快烧掉;假如烧坏是开路,那么就会导致所有LED全部不亮,但其它的LED损害并不严重,因为没有长期工作于过流状态。为了减小某一个LED损坏以后对其它LED的影响,希望并联的LED串数越多越好。图7中画出了3串5并而且同行相并的图。这时候,某一个LED坏了,总电流分散到其余的4个LED中,总电流在每一行所有并联的LED中分配,正向电压偏低的LED分到的电流就会大一些。但不致造成太大的危害。
图7. LED三串五并
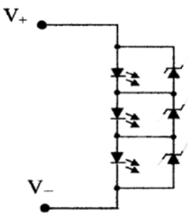
三串五并中的每一个LED都和其它串中同样位置的LED相并联而且只是这一行的电流分到其余4路中去,而其它几行都还是和原来一样。假如LED坏的时候是短路而不是开路,那么这一行的其它几个LED就都不亮了。当然为了避免这个现象,最好的办法是在每个LED上都并联一个稳压管,而各串之间不要并联。这时候任何一个LED坏了(开路),稳压管就导通,电流的分配关系变化很小。短路则就是少一个LED发光。
图8. 每个发光二极管都并联一个稳压管采用这种方法以后,就不需要再同行并联了。
总结以上叙述可以列表如下:
结 构 | 任何一个坏了(开路) | 任何一个坏了(短路) |
单独一串 | 这一串开路不亮 | 这一个不亮 |
两串并联 | 这一串不亮,另一串所有LED电流加倍,寿命缩短,很快都坏 | 这一个不亮,这一串电流略为加大 |
两串中两两并联 | 这一个不亮,同行另一个电流加倍,很快坏掉;如为开路,所有不亮,如为短路这一行两个LED不亮 | 这一个不亮,和它并联的另一个也不亮 |
N串同行并联 | 这一个不亮,同行其余电流加大N/(N-1)倍,N越大越安全 | 这一个不亮,和它并联的其它各个也都不亮 |
每个LED并联稳压管,各串并联 | 只是这一个不亮,对其它影响不大 | 只是这一个不亮 |
那么是不是恒压电源在LED照明中就无用武之地了呢?完全不是这样。
10.在市电LED路灯中采用恒压开关电源加恒流模块的方法供电
任何市电供电的系统里,都需要一个AC/DC的开关电源。有两种供电方法,一种是在开关电源里加上恒流反馈控制电路,保证输出电流恒定。但是这种方法大多只能单路大电流输出,而且恒流的精度不高。还有一种是,前面采用恒压电源,后面加很多路恒流模块,这种方案灵活性很高,恒流精度也高。
转贴自网络
我要赚赏金
