总线,英文叫作“BUS”,即我们中文的“公共车”,这是非常形象的比如,公共车走的路线是一定的,我们任何人都可以坐公共车去该条公共车路线的任意一个站点。如果把我们人比作是电子信号,这就是为什么英文叫它为“BUS”而不是“CAR”的真正用意。当然,从专业上来说,总线是一种描述电子信号传输线路的结构形式,是一类信号线的集合,是子系统间传输信息的公共通道。通过总线能使整个系统内各部件之间的信息进行传输、交换、共享和逻辑控制等功能。如在计算机系统中,它是CPU、内存、输入、输出设备传递信息的公用通道,主机的各个部件通过主机相连接,外部设备通过相应的接口电路再于总线相连接。
现代网络信息的发展,特别是对于成本和空间而言,总线传输替代点对点传输是目前发展的热点,它的出现将给信息传输上提供了最大的方便和最有效的技术解决方案。
系统总线的基本组成
数据总线:传送数据信息
地址总线:传送地址信息
控制总线:传送控制信息(完成总线操作功能)
电源线:为系统提供电源信号
总线的功能
1、数据传输功能
数据传输功能是总线的基本功能,用总线传输率来表示,即每秒传输的字节数,单位是Mbps(兆字节每秒)。
2、多设备支持功能
多个设备使用一条总线,首先是总线占用权的问题,哪一个主设备申请占用总线,由总线仲裁器确定。
3、中断
中断是计算机对紧急事务响应的机制。当外部设备与主设备之间进行服务约定时,中断是实现服务约定的联络信号。
4、错误处理
错误处理包括奇偶校验错、系统错、电池失效等错误检测处理,以及提供相应的保护对策。
总线的数据传输流程
1、申请占用总线
需要使用总线的总线主设备(如CPU、DMA控制器等)向总线仲裁机构提出占用总线的请求,经总线仲裁机构判定,若满足响应条件,则发出响应信号,并把下一个总线传送周期的总线控制权授予申请者。
2、寻址
获得总线控制权的总线主设备,通过地址总线发出本次要访问的存储器和I/O端口的地址,经地址译码选中被访问的模块并开始启动数据转换。
3、传送数据
总线主设备也叫主模块,被访问的设备叫从模块。主模块和从模块之间的操作是由主模块控制在两个从模块之间通过数据总线进行数据传送。
4、结束
主、从模块的信息均从总线上撤除,让出总线,以便其它主模块使用。
微机总线的种类
片内总线
它是位于大规模、超大规模集成芯片内部各单元电路之间的总线,作为这些单元电路之间的信息通路。如CPU内部ALU、寄存器组、控制器等部件之间的总线。
局部总线(也称内部总线)
通常指微机主板上各部件之间的信息通路。由于是一块电路板内部的总线,故又称在板局部总线。较典型的局部总线如:IBM-PC总线,ISA总线,EISA总线,VL和PCI总线等。
系统总线(也称外部总线)
是指微机底板上的总线,用来构成微机系统的各插件板、多处理器系统各CPU模块之间的信道。较典型的系统总线如:STD-BUS,MULTI-BUS,VME等。
通信总线
它是微机系统与系统之间、微机系统与其它仪器仪表或设备之间的信息通路。这种总线往往不是计算机专有的,而是借用电子工业其它领域已有的总线标准并加以应用形成的。流行的通信总线如:EIA-RS-232C、RS-422A、RS-485,IEEE-488,VXI等总线标准。
各总线间的关系
使用总线技术的优点
1、简化软、硬件设计:由于总线定义非常严格,任何厂家或个人都必须按其标准制作插件板,有了规范就给用户在硬件设计上带来了很大的方便,简化了设计过程。
2、简化系统结构:采用标准总线,只要将各功能模块(板)挂在总线上就可以方便的构成微机的硬件系统。
3、便于系统的扩充:对于采用标准总线构成的微机系统,只要按总线标准和用户扩充要求设计或直接购买插件板插到总线插槽上就达到了扩充的目的。
4、便于系统的更新:随着电子技术的不断发展,新的器件不断涌现,微机系统也要不断更新,在采用标准总线的插件板上用新的器件取代原来的器件就可以很方便地提高系统性能,而不必做很大改动。
总线技术的分类
总线分类的方式有很多,如被分为外部和内部总线、系统总线和非系统总线等等。
1、按功能分
最常见的是从功能上来对数据总线进行划分,可以分为地址总线(address bus)、数据总线(data bus)和控制总线(control bus)。在有的系统中,数据总线和地址总线可以在地址锁存器控制下被共享,也即复用。
地址总线是专门用来传送地址的。在设计过程中,见得最多的应该是从CPU地址总线来选用外部存储器的存储地址。地址总线的位数往往决定了存储器存储空间的大小,比如地址总线为16位,则其最大可存储空间为216(64KB)。
数据总线是用于传送数据信息,它又有单向传输和双向传输数据总线之分,双向传输数据总线通常采用双向三态形式的总线。数据总线的位数通常与微处理的字长相一致。例如Intel 8086微处理器字长16位,其数据总线宽度也是16位。在实际工作中,数据总线上传送的并不一定是完全意义上的数据。
控制总线是用于传送控制信号和时序信号。如有时微处理器对外部存储器进行操作时要先通过控制总线发出读/写信号、片选信号和读入中断响应信号等。控制总线一般是双向的,其传送方向由具体控制信号而定,其位数也要根据系统的实际控制需要而定。
2、按传输方式分
按照数据传输的方式划分,总线可以被分为串行总线和并行总线(基于各种总线技术设计电路图集锦)。从原理来看,并行传输方式其实优于串行传输方式,但其成本上会有所增加。通俗地讲,并行传输的通路犹如一条多车道公路,而串行传输则是只允许一辆汽车通过单线公路。目前常见的串行总线有SPI、I2C、USB、IEEE1394、RS232、CAN等;而并行总线相对来说种类要少,常见的如IEEE1284、ISA、PCI等。
3、按时钟信号方式分
按照时钟信号是否独立,可以分为同步总线和异步总线。同步总线的时钟信号独立于数据,也就是说要用一根单独的线来作为时钟信号线;而异步总线的时钟信号是从数据中提取出来的,通常利用数据信号的边沿来作为时钟同步信号。
总线传输的基本原理
依据前面对总线的定义可知总线的基本作用就是用来传输信号,为了各子系统的信息能有效及时的被传送,为了不至于彼此间的信号相互干扰和避免物理空间上过于拥挤,其最好的办法就是采用多路复用技术,也就是说总线传输的基本原理就是多路复用技术。所谓多路复用就是指多个用户共享公用信道的一种机制,目前最常见的主要有时分多路复用、频分多路复用和码分多路复用等。
时分多路复用(TDMA)
时分复用是将信道按时间加以分割成多个时间段,不同来源的信号会要求在不同的时间段内得到响应,彼此信号的传输时间在时间坐标轴上是不会重叠。
频分多路复用(FDMA)
频分复用就是把信道的可用频带划分成若干互不交叠的频段,每路信号经过频率调制后的频谱占用其中的一个频段,以此来实现多路不同频率的信号在同一信道中传输。而当接收端接收到信号后将采用适当的带通滤波器和频率解调器等来恢复原来的信号。
码分多路复用(CDMA)
码分多路复用是所被传输的信号都会有各自特定的标识码或地址码,接收端将会根据不同的标识码或地址码来区分公共信道上的传输信息,只有标识码或地址码完全一致的情况下传输信息才会被接收。
总线主要技术指标
评价总线的主要技术指标是总线的带宽(即传输速率)、数据位的宽度(位宽)、工作频率和传输数据的可靠性、稳定性等。
带宽(传输速率)、位宽和工作频率
总线的带宽指的是单位时间内总线上传送的数据量,即每钞传送MB的最大数据传输率。总线的位宽指的是总线能同时传送的二进制数据的位数,或数据总线的位数,即32位、64位等总线宽度的概念;总线的位宽越宽,数据传输速率越大,总线的带宽就越宽。总线的工作时钟频率以MHz为单位,它与传输的介质、信号的幅度大小和传输距离有关。在同样硬件条件下,我们采用差分信号传输时的频率常常会比单边信号高得多,这是因为差分信号的的幅度只有单边信号的一半而已。
总线的带宽、位宽和工作频率,这三者密切相关,它们之间的关系:
传输数据的可靠性
可靠性是评定总线最关键的参数,没有可靠性,传输的数据都是错误的信息,便就失去了总线的实际意义。为了提高总线的可靠性,通常采用的措施有:
1、采用数据帧发送前发送器对总线进行侦听,只有侦听到总线处于空闲状态下时才可向总线传送数据帧,这样避免了不同节点的数据冲突。
2、采用双绞线差分信号来传送数据,以降低单线的电压升降幅度,减小信号的边沿产生的高次谐波。
3、适当的让数据的边沿具有一定的斜坡。
4、增加匹配电阻和电容等来减少总线上信号的发射和平衡总线上的分布电容等。
5、采用合适的网络拓扑结构和屏蔽技术等来减少受其他信号的干扰。
几种典型的总线技术及特点
STD系统总线
1、模块化的小板结构、开放式的灵活组态
STD总线使得微机系统被划分成若干模块,并制作成标准的功能模板(插件卡)。用户可根据需要选择功能模板组成自己的微机,插件卡与外设之间可用其他方式连接,因此可以灵活方便地构成适应不同要求的微机系统。
2、高可靠性、高抗干扰能力和高信号质量
STD总线优良的物理特性使之具有抗恶劣环境的能力。其模块化小尺寸结构使其具有抗冲击和振动的能力,也可以减少自身发热产生的问题。由于STD总线采用印刷电路板边缘做接插件,可防止插件卡反插,引脚弯曲或折断。同时STD总线的结构可使信号流有序地从总线接口流向用户接口,提高了信号的质量。
3、兼容的结构、配套的产品和齐全的功能
STD总线的兼容式结构可以使8位的STD产品与新标准的16位或32位STD产品一起工作。STD总线还支持多处理器系统。随着技术的发展和STD产品的推广和应用,其标准插件板的功能不断增强,配套产品越来越丰富,给使用带来极大方便。
RS-232C通信总线
RS-232C是一种串行通信总线标准,也是数据终端设备(DTE)和数据通信设备(DCE)之间的接口标准,是1969年由美国电子工业协会(EIA)从CCITT远程通信标准中导出的一个标准。当初制定这一标准的目的是为了使不同厂家生产的设备能达到接插的兼容性,即无论哪一家生产的设备,只要具有RS-232C标准接口,则不需要任何转换电路就可以互相接插起来,但这个标准只保证硬件兼容而不保证软件兼容。
RS-232C标准包括机械指标和电气指标,其中机械指标规定:RS-232C标准接口通向外部的连接器(插针和插座)是一个“D”型保护壳25针插头。
RS-232C的主要特点
1、信号线少:RS-232C总线共有25根线,它包括有主副两个通道,用它可进行双工通信。实际应用中,多数只用主信号通道(即第一通道),并只使用其中几个信号(通常3~9根线)。
2、传输距离远(相对于并行):由于RS-232C采用串行传输方式,并将TTL电平转换成了RS-232C电平,在基带传输时,距离可达30m。若是采用光电隔离20A电流环传送,其传输距离可达1000m 。当然,如果在串行接口加上调制解调器,利用有线、无线或光纤进行传送,其距离会更远。
3、可供选择的传输速率多:RS-232C规定的标准传送速率有:50,75,110,150,300,600,1200,2400,4800,9600,19200波特。可以灵活地使用于不同速率的设备。
4、抗干扰能力强:RS-232C采用负逻辑,空载时以+3~+25V之间任意电压表示逻辑“0”,以-3~-25V之间任意电压表示逻辑“1”,且它是无间隔不归零电平传送,从而大大提高了抗干扰能力。
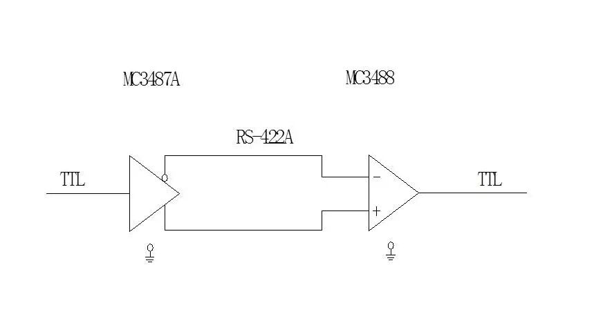
RS-422A总线
RS-422A采用平衡输出的发送器,差分输入的接收器。发送器有两根输出线,当一条线向高电平跳变的同时,另一条输出线向低电平跳变,线之间的电压极性因此翻转过来。在RS-422A线路中发送信号要用两条线,接收信号也要用两条线,对于双工通信,至少要有4根线。由于RS-422A线路是完全平衡的,一般情况下,RS-422A线路不使用公共地线。这使得通信双方由于地电位不同而对通信线路产生的干扰减至最小。双方地电位不同产生的信号成为共模干扰会被差分接收器滤波掉,而这种干扰却能使RS-232C的线路产生错误。
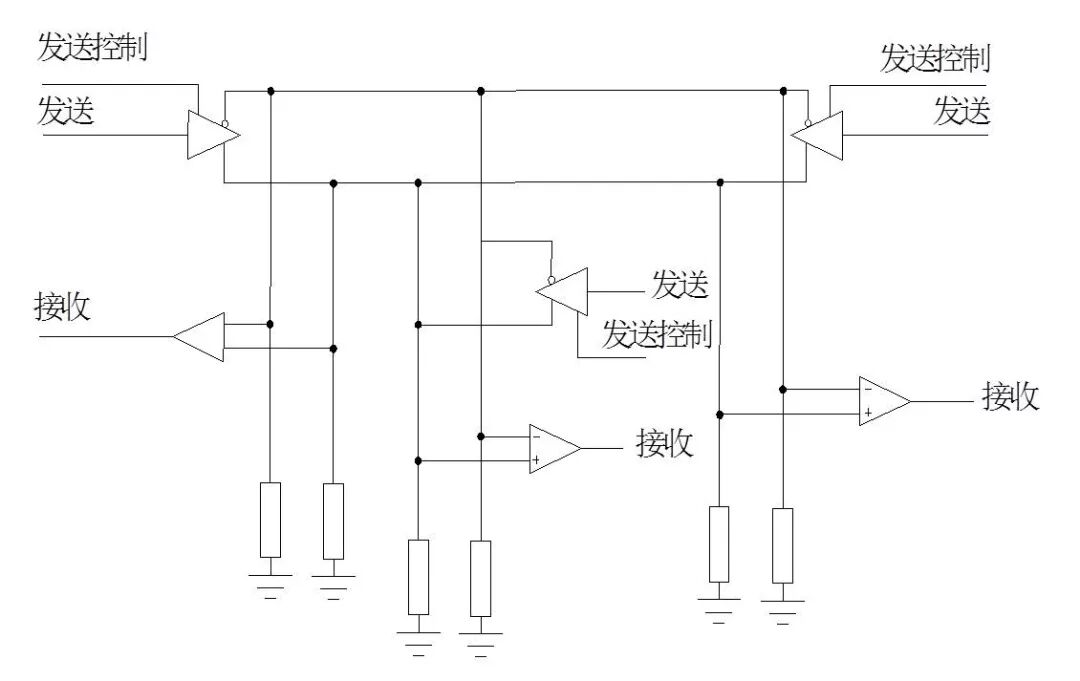
RS-485总线
RS-485总线使用接口电路进行全双工通信,需要两对线或4条线,使线路成本增加。RS-485适用于收发双方共用一对线进行通信,也适用于多个点之间共用一对线路进行总线方式联网,通信只是半双工的。
由于共用一条线路,任何时刻,只允许有一个发送器发送数据,其它发送器必须处于关闭(高阻)状态,这是通过发送器芯片上的发送允许端控制的。例如,当该端为高电平时,发送器可以发送数据,而为低电平时,发送器的两个输出端都呈现高阻状态,好象从线路上脱开一样。
IEEE 488总线
IEEE 488是一种并行的外总线,它是20世纪70年代由HP公司制定的。1975年IEEE以IEEE- 488标准总线予以推荐,1977年国际电工委员会(IEC)也对该总线进行认可与推荐,定名为IEC-IB。所以这种总线同时使用了IEEE-448,IEC-IB(IEC接口总线),HP-IB(HP接口总线)或GP-IB(通用接口总线)多种名称。由于IEEE-448总线的推出,使得当用IEEE-448标准建立一个由计算机控制的测试系统时,不要再加一大堆复杂的控制电路,IEEE-488系统以机架层叠式智能仪器为主要器件,构成开放式的积木测试系统,因此IEEE-488总线是当前工业上应用最广泛的通信总线之一。
IEEE-488总线使用的约定:1、·数据传输速率≤1MB/S。2、·连接在总线上的设备(包括作为主控器的微型机)≤15个。3、·设备间的最大距离≤20M。4、·整个系统的电缆总长度≤220M,若电缆长度超过220M,则会因延时而改变定时关系,从而造成工作不可靠。这种情况应附加调制解调器。5、·所有数字交换都必须是数字化的。6、·总线规定使用24线的组合插头座,并且采用负逻辑,即用小于+0.8V的电平表示逻辑“1”;用大于2V的电平表示逻辑“0”。
系统上设备的工作方式:1、“听者”方式:这是一种接收器,它在数据总线上接收数据,一个系统在同一时刻,可以有两个以上的“听者”在工作。2、“讲者”方式:这是一种发送器,一个系统可以有两个以上的“讲者”但任一时刻只能有一个讲者在工作。3、“控者”方式:这是一种向其他设备发布命令的设备,例如对其他设备寻址,或允许“讲者”使用总线。任一时刻只能有一个控者。
IEEE- 488 总线传送数据时序:IEEE-488总线上数据传送采用异步方式,即每传送一个字节数据都要利用DAV,NRFD和NDAC 3条信号线进行握手联络。
转帖自网络
我要赚赏金
