1、现象、问题描述:
板在环境试验低温存储后(机框下电,-40°存储24h,恢复到常温25°,在25°条件下保持2h)上电,发现有4块单板未正常启动。监控单板电源,发现所有问题单板的5V电源异常(测试值为2.6V),而3V3、3V3_STBY、5V_STBY等电压输出正常;过了20分钟后(未对问题单板进行插拔),问题单板都恢复正常。
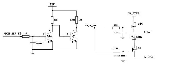
下图中5V异常,Q44没有充分导通。
我们在低温实验之后,一直没有找到规律。在实验室复现的时候,喷上液氮模拟低温,总觉得这个现象,时有时无。很难琢磨。后来郁闷至极,跟同事讨论说:你觉不觉得跟天气有关?天气不好的时候,就容易出现这个现象?
情急之下,用手指抹了一下口水涂抹在三极管封装表面。然后喷上液氮,问题复现了。
一个奇怪的跟天气有关电路:

2、关键过程、根本原因分析:

分析过程:
单板故障时,5V_STBY输出正常,而5V输出只有2.6V,分析图1电路的MOS管Q44(15060203)可知,此时该MOS管的Vgs小于导通阀值Vgs(th)(查看器件手册,低温下Vgs(th)大概为2.3V,见图2),处于未完全导通状态。要使5V输出正常,则Q44的G点电压Vg(即VEN_5V_3V3)必须大于7.3V(5V+2.3V);反之,单板出现故障时,VEN_5V_3V3 <7.3V。
图1,3V3和5V输出的MOS管G点使用同一个信号EN_5V_3V3来控制。单板发生故障时,3V3输出正常,因此Q1的Vgs>2.3V;VEN_5V_3V3>5.6V(3V3+2.3V)。
根据上面的分析可知,由于VEN_5V_3V3处于5.6V~7.3V之间,导致单板5V输出异常,3V输出正常。以下对VEN_5V_3V3输出降低的原因进行分析,图3为分析过程。

图2 MOS管Q44(15060203)Vgs曲线图

2.1 排除Q15(15050026)三极管处于放大区
理论分析:
当单板启动时,SLP_S3会输出3V3电平,此时Q14的ib=(3.3-0.7)/2K=1.3mA;按三极管处于放大区时hFE=100计算,ic=100*1.3mA=130mA,已经超过了ic的饱和电流1.2mA(12V/10K),因此,Q15的B点电压应接近于0V,三极管应该处于关闭状态,不可能处于放大区。而根据三极管的温度特性(见图4),温度越低,三极管开启电压阀值越高,更不容易开启。因此,理论分析,此时三极管Q15不是处于放大区。
实测结果:
单板故障复现时,实测Q15的B点电压只有12mV,因此,三极管Q15不可能处于放大区。

2.2 排除三极管Q15的CE漏电流或MOS管Q1、Q44的GS漏电流导致


查看三极管Q15(15050026)的CE漏电流最大为100nA(见图6)。

从上可知,三极管Q15的CE漏电流或MOS管Q1、Q44的GS漏电流,最多使VEN_5V_3V3的电压下降3mV(100nA*3*10K),所以也不是故障产生的根因。
2.3 确认漏电流往三极管Q15方向流

单板故障时,R382上有大概0.5mA(5V/10K)的电流流过,流往的方向只有两个:I1或I2方向,如图7所示。通过下面操作来确认漏电流流向。
操作方式如下:
1、用液氮对Q15降温操作,故障复现,VEN_5V_3V3逐渐降低时,检测到的电流I2逐渐增大,而电流I1始终为0。
2、用液氮对Q1、Q44降温操作,多次降温,未发现VEN_5V_3V3输出降低。检测到的I1 、I2电流都为0。
由此可以知道,三极管对低温敏感,造成单板故障。且单板故障时,R382上的电流都是往三极管Q15上流的。

2.4 分析三极管Q15产生漏电流的原因
1、怀疑三极管Q15上拉的电压(12V)过高;
2、三极管封装封装杂质;
3、怀疑是三极管本身的特性造成,改用相同封装的MOS管代替。
造成单板故障是三极管Q15在低温下引起,且R382上产生的电流都是流向Q15。因此为排查其他因素的影响,对单板上的电路做如图8处理:断开后级的Q1和Q44(去掉100欧姆电阻);将Q15B点的直接拉地。
2.4.1排除三极管Q15上拉的电压(12V)过高;
为了验证该问题是否是Q15的C点上拉电压过高引起,因此将上拉电压从12V改为5V,用液氮对Q15进行降温处理。

图8 上拉电压更换为5V
结果:VEN_5V_3V3仍然会出现下降,因此,可以排除三极管Q15上拉的电压过高因素
2.4.2排除三极管封装杂质因素
此前其他产品线出现过MOS管器件内部污染导致漏电流超标的问题,但此类问题属于批次问题。将Q15更换为不同批次和不同厂家的三极管(15050026)进行测试,发现现象依然存在。因此,排查三极管封装杂质因素。
2.4.3怀疑三极管自身特性造成
其他单板类似电路在Q15处用MOS管(相同封装)代替,因此,怀疑是否是三极管自身的特性引起,于是用相同封装的MOS进行代替,并进行液氮降温测试。

图9 将Q15更换为同封装的MOS管
故障仍然存在,VEN_5V_3V3在低温下,从5V开始跌落,最低跌落到2V以下,且保持时间超过15分钟以上。排除三极管自身特性造成。

2.4.4确认是SOT23封装的三极管和MOS管在低温下阻抗减小导致
测试故障单板上MOS管Q15的DS阻值,发现只有7K;而单板正常时测试到的DS阻值为41K,因此怀疑是低温导致SOT23封装的MOS管DS阻值、三极管CE的阻抗变小,和上拉的10K电阻产生分压,导致输出VEN_5V_3V3降低。
为验证在低温下SOT23封装的MOS管DS阻抗、三极管CE阻抗会变小,取多个三极管、MOS管器件(SOT23封装,未焊在板上),用液氮进行降温,测试三极管CE、MOS管DS的阻抗。
降温前,测试到的阻抗为无穷大(100M欧以上);降温后,测试到的阻抗会降低,测试到的最小阻抗只有10K。
因此,可以确认是SOT23封装的三极管和MOS管在低温下阻抗减小,和上拉的10K电阻产生分压,导致输出VEN_5V_3V3降低。
厂家已承认有这种问题,在低温、高湿度的环境下,SOT23封装的三极管和MOS管的阻抗会减小。
3 结论、解决方案及效果:
结论:在低温、高湿度情况下,SOT23这类小封装的三极管(或者MOS管)会呈现低阻抗特征,和上拉的10K电阻产生分压,导致VEN_5V_3V3输出变低。当三极管Q15的CE阻抗降低到小于14K时,由于分压,VEN_5V_3V3输出会小于7V,使5VMOS管的Vgs电压小于MOS管的导通要求,导致5V输出变低。

解决方案:
减小Q15三极管C点的上拉电阻,改为1K。减小封装在低温高湿的情况下,楼电流,影响输出端电压。
改为1K之后,Q15完全导通时电流比较大。要注意电阻的封装、额定功率。
4、经验总结、预防措施和规范建议
SOT23封装的MOS管、三极管在低温+高湿度的条件下,三极管的RCE、MOS管的RDS呈现低阻抗特征,如果选用此类器件来控制开关/使能信号,建议上拉的电阻不要太大,保证输出电压满足后级开启要求,同时需要注意上拉电阻的降额要求。
转贴自网络
我要赚赏金
