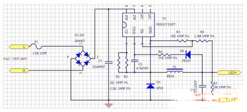
基于PN8317推出非隔离36~50W吸顶灯单电感驱动过认证方案,支持76~264VAC输入,输出电流250mA±3%,效率高达94%。此系统工作在准谐振模式来实现高效率和低EMI的应用。芯片集成度高,BOM器件个数少,具有LED灯开路、短路、过温保护等功能。
图题:PN8317典型应用电路
方案参数
输入电压:176~264V全电压
输出功率:43W
输出电压:170V
输出电流:250mA±3%
效率:94%
PN8317包括高精度的准谐振恒流控制器及功率MOSFET,专用于高可靠高效率、单电感、极精简外围元器件的非隔离中小功率LED照明。内置530V高雪崩能力的功率MOSFET,±3%恒流精度,1%线电压补偿精度,全面保护功能,包括过温保护,逐周期过流保护,LED开短路保护,安全自动恢复模式,CS电阻开短路保护。

我要赚赏金
