先看实验图: 铁棒(如:螺丝刀、铁钉等等)3秒左右,铁棒就变红了!高温!

这个是如何制作的呢? 下面跟我一起来看看吧!
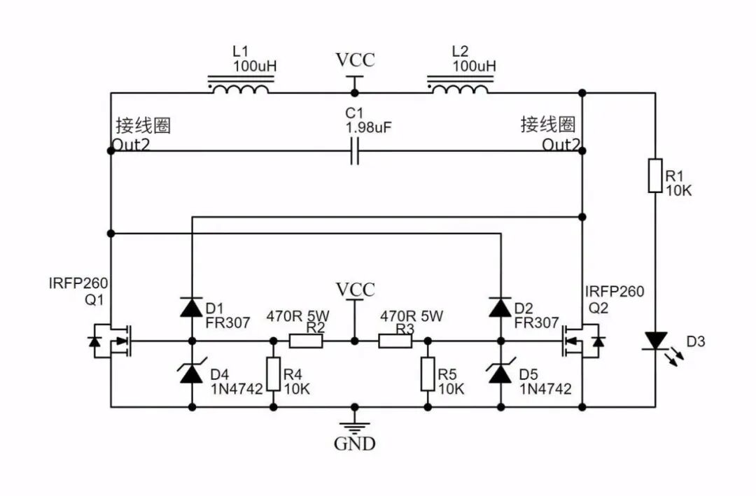
1、电路图:
2、BOM 元器件清单
0.33uf 1200V电容*6, 100uh电感*2,IRFP260场效应管*2, 470Ω5W水泥电阻*2,FR307二极管*2, 1N4742二极管*2, 10K电阻*2,LED,接线端子*4, 48V20A开关电源,铜管。
3、制作过程

(感应器需要的电源)
(成品图1)

(完整成品图)
| 有奖活动 | |
|---|---|
| 硬核工程师专属补给计划——填盲盒 | |
| “我踩过的那些坑”主题活动——第002期 | |
| 【EEPW电子工程师创研计划】技术变现通道已开启~ | |
| 发原创文章 【每月瓜分千元赏金 凭实力攒钱买好礼~】 | |
| 【EEPW在线】E起听工程师的声音! | |
| 高校联络员开始招募啦!有惊喜!! | |
| 【工程师专属福利】每天30秒,积分轻松拿!EEPW宠粉打卡计划启动! | |
| 送您一块开发板,2025年“我要开发板活动”又开始了! | |
我要赚赏金打赏帖 |
|
|---|---|
| 在FireBeetle2ESP32-C5上实现温湿度检测和显示被打赏¥20元 | |
| 在FireBeetle2ESP32-C5上实现光照强度检测及显示被打赏¥21元 | |
| 以FireBeetle2ESP32-C5实现数据识读播报被打赏¥19元 | |
| 【STM32F103ZET6】14:实测STM32F1的串口输出任务的挂起与恢复功能被打赏¥27元 | |
| Chaos-nano在压力容器监控系统中的项目应用被打赏¥23元 | |
| 基于FireBeetle2ESP32-C5的WS2812B彩色灯带控制被打赏¥21元 | |
| SWM221CBT7显示开发板驱动TFT显示屏被打赏¥19元 | |
| SWM221CBT7显示开发板驱动OLED屏显示被打赏¥19元 | |
| SWM221CBT7显示开发板及其使用被打赏¥20元 | |
| 揭秘Chaos-nano:ArduinoProMini轻量级操作系统开发框架深度解析与实战应用被打赏¥19元 | |