今天分享几个DCDC降压芯片。
OC5864

宽输入电压范围
范围:5.5V 至 60V,可适应工业、通信等领域的宽电压波动场景(如 24V/48V 工业总线、车载电源)。
优势:减少前级稳压需求,简化系统设计,提升电源适应性。
输出能力
峰值电流:0.6A,适合轻载或中小功率应用(如传感器供电、低功耗设备)。
输出电压:通过外部电阻可调(1V 至 28V),灵活匹配不同负载需求。
高效开关模式
拓扑结构:降压式(Buck),采用 PWM 电流模控制。
开关频率:固定 500kHz,兼顾效率与电磁兼容性(EMI)。
效率:高达 90%,减少发热,延长电池续航(适用于便携设备)。
保护功能
逐周期过流保护:实时监测电流,防止短路或过载损坏。
热关断:结温超过 165℃ 时自动关断,避免高温失效。
软启动:0.6ms 启动时间,防止输出电压过冲,保护负载。
封装与外围设计
封装:SOT23-6,体积小(6.9mm×4.6mm),适合紧凑型 PCB 布局。
外围元件:仅需少量元件(如电感、电容、二极管),降低 BOM 成本。
推荐元件:
输入电容:4.7μF 低 ESR 陶瓷电容(X5R/X7R)。
输出电容:22μF 低 ESR 陶瓷电容,稳定输出纹波。
电感:根据输出电流选择(如 47μH 1A 贴片电感)。
优点在于它的输入电压范围很宽,从5.5V到60V。缺点也很明显,那就是它的输出电流有点小,只有0.6A。鉴于它的价格,我在淘宝上看是7分钱一个,那还算是可以的了。

SOT23-6封装。我们看看它的典型应用原理图。

电感L1和R1R2的阻值先忽略,其他可以直接参考上图。

R1和R2照常是用来设置输出的电压的,只是手册给出的形式有点怪怪的,我们转换一下就是Vout = 0.812V*(1+(R2/R1))

通过上表可以看出R1和R2的取值得是几十上百kΩ。

通过设置电感的值来控制电感纹波电流,一般来说纹波电流为我们最大负载电流的30%。
如果懒得计算的话一般就按照典型应用原理图上取值47uh(有点大)。
RY8411

宽输入电压范围:支持 4V 至 38V 的工作输入电压,耐受电压可达 42V,能够适应多种非稳压电源场景,如工业设备、车载电源等。
输出能力:提供 1.2A 连续输出电流,满足轻量级至中等功率需求。输出电压可通过外部电阻调节,标称反馈电压为 0.8V,支持低至 0.8V 的输出电压。
高效率与低纹波:采用低导通电阻(典型值 250mΩ/150mΩ)的内部 MOSFET,实现高达 92% 的转换效率。工作频率固定在 800kHz,允许使用小型外部元件,同时保持低输出电压纹波。
保护功能:
过压保护(OVP):可承受高达 42V 的输入电压,防止电压过高损坏设备。
过流保护:内置过流限制功能,防止输出短路或过载。
热关断:当芯片温度超过安全阈值时自动关断,保护芯片免受高温损坏。
欠压锁定(UVLO):监测输入电压,当电压低于阈值时关闭芯片,防止异常工作。
工作模式与启动:
PSM 模式:支持脉冲频率调制(PSM)模式,优化轻载效率。
内部软启动:减少启动时的电流冲击,避免输出电压过冲。
封装与温度范围:采用 SOT23-6 封装,体积小巧,适合紧凑型 PCB 布局。工作温度范围为 -40°C 至 +85°C,适应恶劣工业环境。
输入电压范围同样挺大的,不过它的输出电流还可以,有1.2A。
典型应用原理图如下。

关于元器件的取值我们可以直接参考手册中的表格。

其实电容的值都一样,我们要改的就是电感和电阻的值。
电阻值用来设置输出电压,带入下标的数据我们可以得出公式中的Vfb是0.8V。

XL1509-5.0
宽输入电压范围:支持 4.5V 至 40V 的输入电压,能够适应多种非稳压电源场景,如工业设备、车载电源等。
固定输出电压:输出电压为 5V,适合需要稳定 5V 电源的应用,如为微控制器、传感器等供电。
输出电流能力:最大输出电流为 2A(部分资料提及支持高达 3A,但典型值为 2A),能够满足大多数中小型电子设备的功耗需求。
高效率:转换效率在大多数应用场合下均能达到 85% 以上,部分场景下可达 93%,有效减少热量产生,降低散热设计复杂性。
固定开关频率:开关频率为 150kHz,有助于减少外部电感和电容的体积,使电路设计更加紧凑。
保护功能:
过流保护:内置过流保护功能,防止输出短路或过载损坏设备。
过温保护:当芯片温度超过安全阈值时自动关断,保护芯片免受高温损坏。
短路保护:在输出短路时,能够迅速响应,保护电路和负载。
低纹波和噪声:输出电压纹波小,噪声低,适合对电源质量要求较高的应用。
工作温度范围:工作温度范围为 -40℃ 至 +85℃,适应恶劣的工业环境。
封装类型:采用 SOIC-8 封装,体积小巧,适合紧凑型 PCB 布局。


内部结构与原理图


MC34063ADR
这个是非常经典的一个,而且非常常用的一个DC芯片。
MC34063ADR 是一款由德州仪器(TI)生产的 DC-DC 开关稳压器,具备升压、降压和反相功能,适用于多种电源管理场景。
核心参数
输入电压范围:3V 至 40V,能够适应非稳压电源或电池供电场景。
输出电流:最大开关电流 1.5A,适合中小功率应用。
输出电压:可调范围 1.25V 至 40V,通过外部电阻分压器设置。
开关频率:固定 100kHz,允许使用小型电感和电容,减少 PCB 面积。
封装形式:SOIC-8 封装,体积小巧,适合紧凑型设计。
功能特点
多拓扑支持:
升压(Boost):将低电压升至高电压(如 5V 升至 12V)。
降压(Buck):将高电压降至低电压(如 24V 降至 5V)。
反相(Inverting):生成负电压(如 +5V 转 -5V)。
保护功能:
短路电流限制:防止输出短路时损坏芯片。
低静态电流:典型值 10nA,延长电池寿命。
温度补偿基准源:确保输出电压稳定性。
外围电路简单:仅需少量元件(如电感、二极管、电容)即可构建完整转换器。
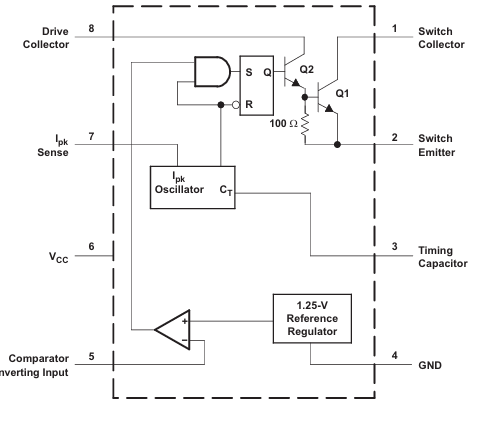
内部结构图

引脚定义与说明



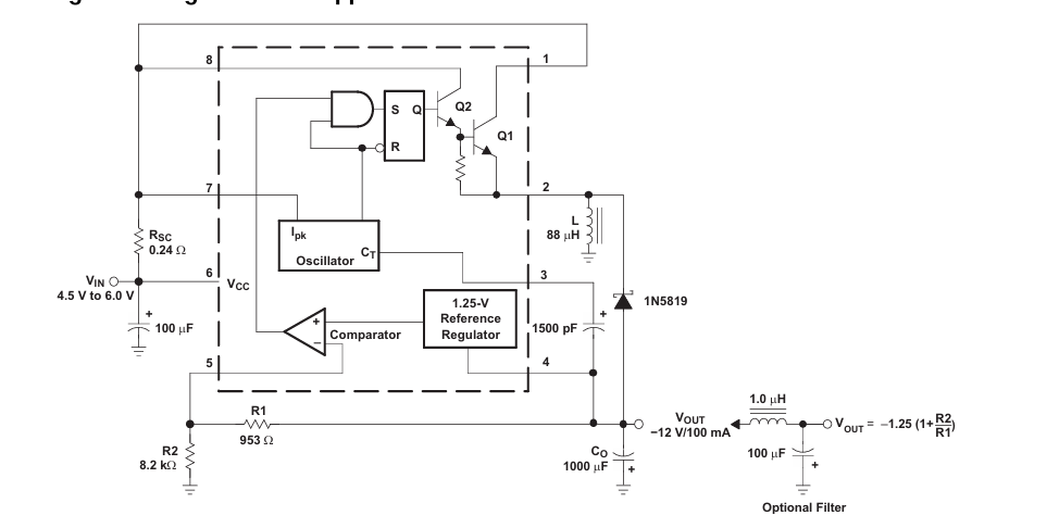
下面是24V输入、5V输出的具体原理图,工作过程:
首先取样电阻R1以及R2对输出电压波动进行监控,引脚5 COMP输入得到的电压与1.25V参考源进行电压比较。例如当引脚5 COMP电压值低于1.25V时,触发器触发,开关管Q2导通,继而Q1导通,使24V输入电压不断向电容充电,最终达到控制电压稳定输出目的,其他情况类似。
其中:
①电容C1:由于是24V输入,耐压要大于24V,这里取两倍于输入电压;
②限流电阻R:这个电阻调节输出负载电流同时当6,7脚之间电压超过300mV时,内部限流功能将开启;
③电容CT:这个电容与GND相连接,决定工作频率;
④二极管D1:这个一般用快速开关二极管,但是对于在高效率应用时候必须使用肖特基二极管
⑤电感L1:储能电感
⑥取样电阻R1、R2:输出电压Vout=1.25V(1+R2/R1),共同决定输出电压大小
⑦电容C2:输出电容,耐压足够就可以了,电容要大一点
⑧电阻R4:放电电阻,电阻越大放电越慢
还有布局参考,它的应用算是比较多的。

总结
以上介绍了四款 DC-DC 降压芯片。OC5864 输入 5.5V-60V,输出 0.6A,保护功能全,价格低;RY8411 输入 4V-38V,输出 1.2A,效率高、纹波低;XL1509-5.0 输入 4.5V-40V,固定输出 5V,最大 2A,保护完善;MC34063ADR 输入 3V-40V,输出 1.5A,可升压、降压、反相,外围电路简单。它们各有特点,适用于工业、通信、便携设备等不同场景,能满足多样电源管理需求。

我要赚赏金
