在为系统设计电源电路时,您是否还在隔离电源与非隔离电源之间犹豫不决?如何在众多选项中找到既可靠又高性价比的电源模块?本文将从隔离电源与非隔离电源的主要优缺点进行对比,帮助您做出更明智的选择。
隔离电源与非隔离电源
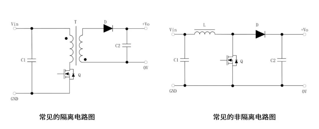
一般从电源的拓扑选择上,能够比较清晰地知道隔离与非隔离电源的主拓扑类型,例如:非隔离电源主要有Buck、Boost、Buck-Boost拓扑;隔离电源主要有正激、反激、半桥、LLC等拓扑。

隔离电源与非隔离电源主要优缺点是从安全性、电路结构复杂程度、电气隔离特性、输入与输出转换效率、设计难易度、性价比以及出现的故障率等方面进行对比。
非隔离电源 | 隔离电源 | |
优点 | 体积小、成本低 | 输入与输出隔离,抗干扰能力强 |
元器件少,设计难度低 | 控制变压器匝数,易实现不同电压的转化,兼具多路输出特性 | |
电路结构简单 | 安全特性高,电源异常后对负载影响小 | |
缺点 | 抗干扰能力差 | 变压器体积大 |
输入与输出非隔离,安全特性差 | 电路结构复杂,设计的难度大 |

我要赚赏金
